Тип / Ед.измерения - 1,5 / 1500
Напряжение / Частота - 50 Гц / 380 В
Фазность ~ 3
Потребляемая мощность - 1,5 кВт
Частота вращения - 1410 мин +1
Ток - 3,6 А
Производительность - 1800-3900 м3/час
Полное давление - 720-900 Па
Макс.температура перемещения воздуха - 80 С
Класс защиты двигателя - IР 54
Тип термозащиты - Встр.тд
Вес - 33 кг
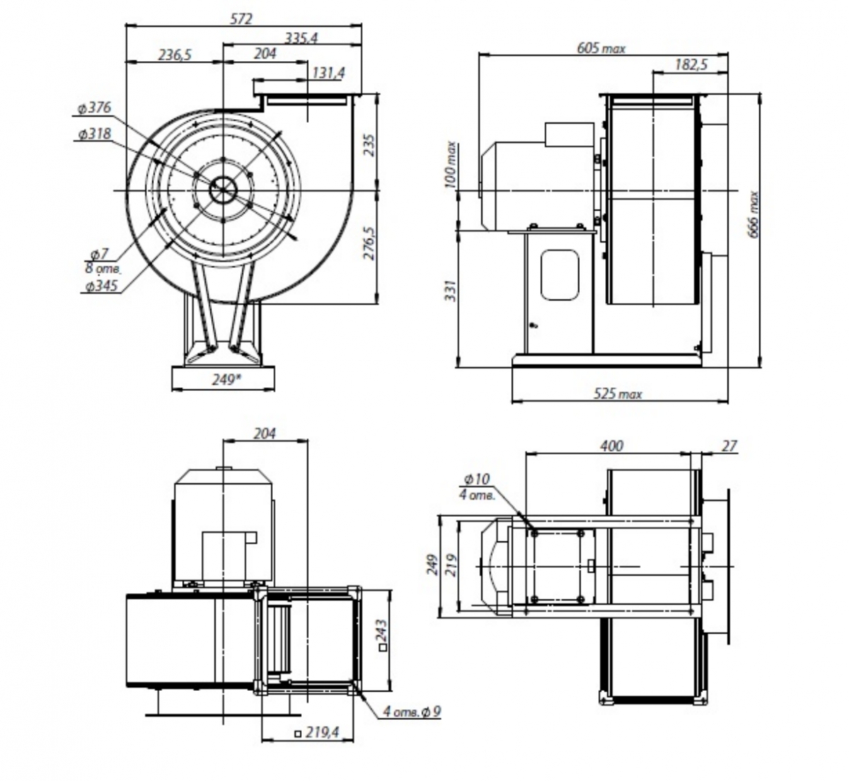
Вставки гибкие (315 мм)
Вставки гибкие (221х221 мм)
Виброизоляторы - ДО 39
Выход (левый/правый) уточняйте у менеджера!!
Так же с вентилятором можно установить Регулятор скорости ATV310HU15N4E частотный 1,5 кВт 380 В который преобретается отдельно
Радиальный вентилятор общего назначения ВР-300-45-3,15
Среднего давления
Встроенные термодатчики
Корпус из оцинкованной стали
Направление вращения - правое и левое
Радиальные вентиляторы общего назначения применяются в стационарных системах вентиляции, кондиционирования, воздушного отопления, технологических установках и т.д.
Они предназначены для перемещения невзрывоопасных газовых сред с температурой не выше 80 С для обычного исполнения (до 200 С для теплостойкого исполнения Ж2), содержащих твердые примеси не более 0,1 г/м3, не содержащих липких веществ и волокнистых материалов.
Гарантийный срок эксплуатации - 18 месяцев









